| 产品名称: | 大恒 AS-4P 自恢复式过欠压保护器(三相) | |
| 产品品牌: | 大恒 | |
| 产品型号: | 大恒 AS-4P | |
| 产品规格: | 16A、25A、32A、40A、50A、63A、80A、100A | |
| 产品颜色: | 白色 | |
| 产品参数: | 过压动作切断值:275±5VAC,过压恢复值:253±5VAC
欠压动作切断值:160±5VAC,欠压恢复值:195±5VAC |
|
| 产品优势: | 1.模块化标准设计
2.自动复位接通线路,无需人工操作; 3.瞬态或暂态过电压时,保护器不产生误动作; |
| 商务咨询:18050030838 营销咨询:18650807117 |
QQ:540304518 QQ:1615352551 |
||
| 销售咨询:0592-5764230,0592-5764219 技术支持:0592-5764228,18106937880 售后服务:400-107-0019,18106937876 公司传真:0592-5764098 公司邮箱:taihang@taihang.cc |
|||
产品特点:
◆ 模块优标准设计 ◆ 符号国标 JB/T 12762-2015 标准; ◆ 自动复位接通线路,无需人工操作; ◆ 瞬态或暂态过电压时,保护器不产生误动作; ◆ 导轨式简易安装; ◆ 支持手动控制; ◆ 三相同步通断;
|
![]() |
三相四线自恢复式过欠电压保护器,是我公司依据国家JB/T 12762-2015新标准,结果目前市电状况研制的新一代家电保护装置。产品具有最大的安全工作电压范围,使得控制线路在供电电压低至50V,高达400V时仍能可靠断开负载供电,极大地保护了用电电器和过欠电压保护器自身的安全。有效地保护了由于中性线故障(断零)引起的单相过欠压引发的设备故障。自恢复式过欠电压保护器采用高速微低功能处理器为核心,空气断路器为主电路、模块化标准设计。
| 电气参数 | 技术数据 |
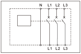
AS-4P电气图 |
| 型号 | AS-4P | |
| 工作电压 | 230VAC/400VAC | |
| 工作频率 | 50Hz/60Hz | |
| 额定工作电流 | 16A、25A、32A、40A、50A、63A、80A、100A | |
| 一般参数 |
|
|
| 过压动作切断值 | 275V±5VAC | |
| 过压恢复值 | 253V±5VAC | |
| 欠压动作切断值 | 160V±5VAC | |
| 欠压恢复值 | 195V±5VAC | |
| 最小动作时间 |
≤0.2s |
|
| 断零保护 |
≤1s |
|
| 待机功能 |
≤1W |
|
| 电气机械寿命 |
≥1万次 |
厦门大恒科技有限公司(WWW.SPD-TH.COM) 版权所有 2008-2014